5.05
На сайт добавлена статья для расчета ладов гитары, а также калькулятор для расчетов. Подробнее здесь.
Посредством DPDT переключателя можно создать переключение между активом и пассивом, что особенно актуально, если батарея села. Наилучший способ - использование потенциометра громкости со встроенным выключателем, особенное если актив включен после обычных потенциометров громкости и тембра. Кроме того, при переключении в пассив, электропитание отключается и батарея не садится.
Ниже показана монтажная схема варианта с потенциометром громкости после активной электроники. В отжатом положении потенциометра громкости гитара переключается в пассив и работает, даже если батарея села. 25к или 50к потенциометры громкости часто используются вместе с активной электроникой, на практике, однако, сопротивление потенциометра громкости не имеет значения, и Вы можете использовать потенциометр от пассива.
Полностью независимое микширование сигналов от датчиков возможно только с активом, потому что в этом случае регуляторы громкости не связаны друг с другом и регулируют уровень датчиков независимо друг от друга. Конденсаторы (обозначены пунктиром на рисунке ниже) снова используются для того, чтобы понизить резонансные частоты датчиков.
Такая схема также позволяет микшировать выходы от пьезодатчиков с сигналами от магнитных датчиков. Через разделительные резисторы сопротивлением lM любой из входов может быть подключен к входу усилителя (до конденсатора емкостью l0нФ). Часто каждая струна гитары имеет свой собственный пьезодатчик и соответственно на каждый выход пьезодатчика до микширования должен быть подключен небольшой потенциометр, который позволит найти хороший баланс между громкостью каждой струны.
Активная схема контроля высоких и низких частот позволяет очень эффективно регулировать тембр без потерь, свойственных пассивным датчикам. Подъем и спад АЧХ в области НЧ происходит до частоты среза fB и составляет 6dB/на октаву. Аналогично подъем и спад АЧХ в области ВЧ происходит за частотой среза fН и составляет также 6dB на октаву. При помощи двух формул можно найти емкости конденсаторов для любой частоты среза. Максимальный подъем или спад АЧХ возможен в пределах приблизительно 12dB.
Для этих целей можно применить сдвоенный потенциометр с движками один в другом т. к. надо сверлить только одно отверстие. Такой потенциометр имеет две ручки, расположенные одна под другой.
Подъем АЧХ на средних частотах может быть достигнут (см. ниже) подключением к потенциометру последовательно конденсатора и катушки небольшой индуктивности. Такие маленькие катушки можно найти в магазинах радиотоваров. Индуктивность измеряется в Генри (Гн). Используя в схеме катушку индуктивностью l0мГн (милиГенри) и конденсатор емкостью lмкФ получим полосу частот в районе 1600Hz и регулировку от 0 и приблизительно до 12dB. Подъем АЧХ на средних частотах дает звуку больше мощи.
Если надо получить спад АЧХ на средних частотах той же величины, замените потенциометр на схеме линейным потенциометром 500к и поменять местами резисторы 270к и 24к.
Катушки очень восприимчивы ко всякого рода наводкам. Что бы этого избежать, платы должны быть надежно экранированы. Кроме того, относительно большая погрешность в параметрах таких компонентов (5 - 10 процентов), делает точные вычисления очень сложными.
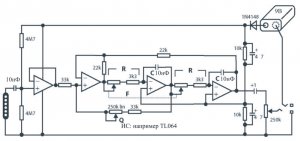
Режекторные фильтры предлагают максимум свободы в формировании тембра датчика, поскольку они позволяют менять АЧХ в определенном диапазоне частот, т. е. выбирать определенную частоту (регулировка частоты F) и поднимать или опускать АЧХ (регулировка добротности Q) в районе этой частоты, в пределах от 0 до 12dB. Таким образом, можно получить практически любой звук, а свойства пассивного датчика неважны.
Для этой цели используются счетверенные ОУ. Линейный стерео потенциометр используется для выбора частоты.